회사소개
제품소개
시공&설치사례
주요수출국
견적문의
고객센터
자료실
카달로그
사용설명서
안전인증 자료
외형도/회로도
인증서/성적서
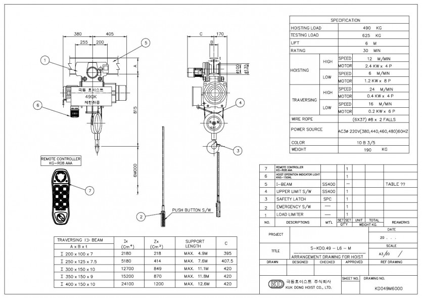
도면
TEL031)491-5311
FAX031)492-0473