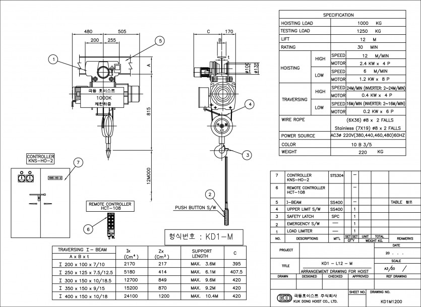
KD1-L12-M 본문 KD1-L12-M 첨부파일 KD1-L12-M.pdf (201.9K) 39회 다운로드 | DATE : 2024-03-18 16:44:51 목록 이전글KD1-L18-M 24.03.15